Комплексная автоматизация и диспетчеризация инженерных систем

Системы гарантированного питания (СГЭ)

Получить консультацию

Комплексные услуги
«под ключ».

Бесплатное обследование объекта и подготовка технического задания

Работаем на всей территории России

Система гарантированного электроснабжения (СГЭ) – это комплекс устройств, обеспечивающих электроснабжение объекта в случае неполадок в электросети.

Основными составляющими данной системы являются электрическая кабельная сеть, дизель-генераторная установка (ДГУ) и устройство автоматического включения резерва (АВР).


Система гарантированного электроснабжения является резервной. В отличие от потребителей бесперебойного электроснабжения, потребители СГЭ запитаны от главного ввода общей системы электроснабжения. При его отказе в работу вступает дизель-генераторная установка. 


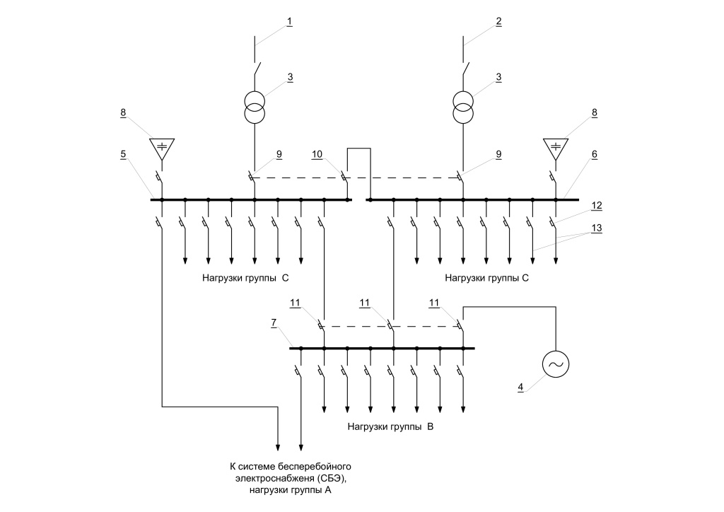
Пример схемы гарантированного электроснабжения современного ответственного объекта приведен на рисунке ниже:


Картинка1 СГЭ.jpg


1, 2 – независимые источники электроснабжения

3 – силовой трансформатор

4 – дизель-генераторная установка (ДГУ)

5, 6, 7 – секции шин

8 – устройство компенсации реактивной мощности

9 – вводной автоматический выключатель от независимого источника

10 – секционный автоматический выключатель

11 – вводной автоматический выключатель секции шин системы гарантированного электроснабжения

12 – распределительный автоматический выключатель

13 - отходящие линии


Нагрузки типа:

  • А – Информационно-вычислительные системы, телекоммуникационные системы, система голосового оповещения и АТС, системы охранной и пожарной сигнализации, система контроля и управления доступом, система видеонаблюдения, эвакуационное освещение и освещение безопасности, система диспетчерского управления. Перерыв электроснабжения не допускается

  • В – Пожарные насосы, системы подпора воздуха и дымоудаления, пожарные лифты, система кондиционирования технологических помещений, холодильные камеры столовой, сигнальные огни. Перерыв электроснабжения допускается на время включения резервного источника питания

  • C – Прочие технологические и инженерные системы, не вошедшие в группы А и В. Перерыв электроснабжения допускается на время устранения аварии


Одной из главных характеристик системы гарантированного электроснабжения является время автономной работы. В системе бесперебойного электроснабжения время автономной работы определяется ёмкостью аккумуляторных батарей, в СГЭ – количеством дизельного топлива. Количество топлива определяется объемом штатного бака, расположенного в станине, и дополнительных баков. В случае, когда размещение дополнительных баков невозможно, проектом должен быть предусмотрен подвоз и дозаправка топлива. 


Возможная комплектация ДГУ включает в себя:

  • промышленный дизельный двигатель

  • турбонагнетатель для двигателей с турбонадувом

  • бесщеточный генератор переменного тока с самовозбуждением и авторегулировкой в защитном кожухе

  • единое основание (рама) для двигателя и генератора

  • топливный бак

  • система охлаждения ДГУ, радиатор и вентилятор

  • выходной защитный автомат

  • панель управления

  • система смазки и подачи топлива

  • интерфейсный модуль двигателя

  • электрооборудование, стартерная аккумуляторная батарея, зарядное устройство и электрический стартер

  • система экстренного останова ДГУ

  • автоматические регуляторы напряжения и частоты

  • промышленный глушитель

  • нагрузочное устройство

  • шумозащитный кожух

  • зарядное устройство АКБ

  • автономный предпусковой подогреватель

  • тракторный прицеп


Устройство автоматического включения резерва предназначено для переключения источников электроснабжения, питающих нагрузку, при отключении питания на одном вводе. АВР выполняется с применением программируемых контроллеров, позволяющих обеспечить следующую логику работы и функции:

  • работа АВР разрешена только при наличии напряжения во всех фазах на другом вводе

  • разрешена однократность действия АВР

  • запрещены действия АВР при аварийном отключении вводных или секционного выключателей

  • исключена возможность многократного включения АВР на короткое замыкание при любой однократной неисправности в схеме

  • блокируются действия АВР при отключении автоматических выключателей в цепях реле контроля напряжения

  • обеспечена сигнализация ручного режима АВР и сигнализация срабатывания АВР


Ниже приведена простейшая схема АВР:


Картинка2 СГЭ.jpg


Специалисты ООО «СТ Солюшн» имеет опыт проектирования, монтажа и поставки комплексных систем гарантированного и бесперебойного электроснабжения. 

Наши решенияБольше проектов

Автомобильно-дилерский центр Jaguar-Land Rover
Площадь объекта:40 000 м2
Зерновой терминал грузооборотом 2,5 млн. тонн в год в порту Новороссийска
Расположение:Юг
Торгово-административные комплексы «Магнит» в городах Ульяновск, Ярославль, Элиста, Воскресенск, Кинешма, Шуя, Алексин
Расположение:Северо-Запад
Площадь объекта:15 000 м2
Автомобильно-диллерский центр BMW-Volkswagen
Расположение:Центр
Площадь объекта:41 300 м2
Жилой дом, Московская область
Расположение:Центр
Площадь объекта:11 000 м2
Автоматизация технологических процессов обеспечения пивоваренного производства
Расположение:Центр
Фабрика по производству шоколадных изделий в пос. Чердаклы Ульяновской области
Расположение:Поволжье
Завод гипохлорита натрия
Расположение:Центр
Площадь объекта:120 000 м2
Реконструкция Автомобильно-дилерского центрa Merсedes-Benz
Расположение:Центр
Площадь объекта:10 000 м2
Заказать обратный звонок
Заполните форму обратной связи,
наши менеджеры обязательно с вами свяжутся.
Нажимая «Отправить», Вы даёте согласие
на обработку персональных данных.
Отправить
Заказать обратный звонок
Заполните форму обратной связи,
наши менеджеры обязательно с вами свяжутся.
Нажимая «Отправить», Вы даёте согласие
на обработку персональных данных.
Отправить
Заказать оценку проекта
Заполните форму обратной связи,
наши менеджеры обязательно с вами свяжутся.
Нажимая «Отправить», Вы даёте согласие
на обработку персональных данных.
Отправить
Заказать проект
Заполните форму обратной связи,
наши менеджеры обязательно с вами свяжутся.
Нажимая «Отправить», Вы даёте согласие
на обработку персональных данных.
Отправить
Получить консультацию
Заполните форму обратной связи,
наши менеджеры обязательно с вами свяжутся.
Нажимая «Отправить», Вы даёте согласие
на обработку персональных данных.
Отправить
Отправка успешна!
Спасибо за обращение! Наш менеджер свяжется с вами в ближайшие рабочие часы
Отправка не удалась
Во время отправки запроса произошла ошибка. Пожалуйста, подождите и попробуйте снова через некоторое время или позвоните на мой номер телефона